Single Stage Double Suction Split Case Pump
The suction and discharge ports of this type of pump are located below the axis of the pump. During maintenance, all parts can be removed for maintenance as long as the pump cover is removed.
It is widely used for handling circulating water in power stations, mining drainage as well as water supply & drainage of civil engineering and farmlands. They are provided for delivering clear water without solid particles or other liquid which is physically and chemically similar to clear water. The highest temperature of the liquid is not allowed more than 60℃.
Description
With short gaps in the both ends of support, works stably with less noise and vibration. It can be risen speed operation to meet wider usage.
Being inlet and outlet located in the same center line, the pipelines arrangement looks simple and beautiful.
The rotor can be operated in reverse direction to avoid damage to the pumps from water hammer.
Unique design of high temperature, using middle support, thickening pump casing, seal cooling and oil lubrication bearing make suitable for working at 200C, especially for heat supply network requirements.
Case body can be vertically or horizontally installation according to different working condition, with mechanical seals or packing seals.
The line of pump is clear and beautiful to in line with modern aesthetics.
Cost advantage
● Using the advanced hydraulic model, our pump efficiency is 2%~3% higher than the same type pumps. The operating cost minimum.
● The vacuum height is risen 1-3 meter to reduce land construction investment and to extend the service life.
● Using import brand bearing, such as SKF, NSK and using various pump material make our pump suitable for any site working condition and minimize the maintenance cost.
Maintenance advantage
● With container type mechanical seal, the mechanical seal of pump is very easy and simple to replace.
● With elastic rip assembling, the rotor parts is easy and rapid to assembly and disassembly.
● It is unnecessary to make adjustment to any gap when assembling.
Pump material
| Item | PumpSupportingprogram A | Pump Supporting program Q | Pump Supportingprogram B | Pump Supporting program S | |||
| 1 | 2 | 1 | 2 | 3 | |||
| Pump casing | Grey cast iron | Ductile castiron | Ductile cast iron | Extra low carbon stainless steel | Ni-Crchromiumcastiron | Ductilecast iron | Stainlesssteel |
| Impeller | Grey castingiron | Cast steel | Stainless steel | Duplex S.S. | Tin bronze | Tinbronze | Tin bronze |
| Shaft | #45 steel | #45 steel | Stainless steel | Duplex S.S. | 2Crl3 | 2Crl3 | 2Crl3 |
| Shaft sleeve | #45 steel | #45 steel | Stainless steel | Extra low carbon stainless steel | ICrl8Ni9Ti | ICrl8Ni9Ti | ICrl8Ni9Ti |
| Wear ring | Grey castingiron | Cast steel | Cast steel | Duplex S.S. | Tin bronze | Tinbronze | Tin bronze |
| Services | For purewater andlowerstrengthapplications | For pure water high strengthapplications | For media with more solidimpurities PH<6 chemicalcorrosion and for high strengthapplications | The sea water pump | |||
| These configurations are recommended by the manufacturer, customers could change their materials according to specific needs. | |||||||
Parameters
| Pump outlet diameter Dn: | 80~900mm |
| Capacity Q: | 22~16236m3/h |
| Head H: | 7~300m |
| Temperature T: | -20℃~200℃ |
| Solid parameter ≤80mg/L | |
| Permissible pressure ≤5Mpa | |
The biggest impeller for single stage can be up to 2.8m. The highest head can be up to 290m.
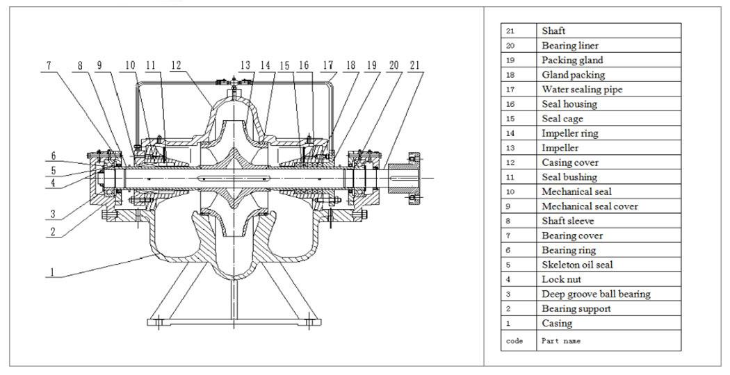
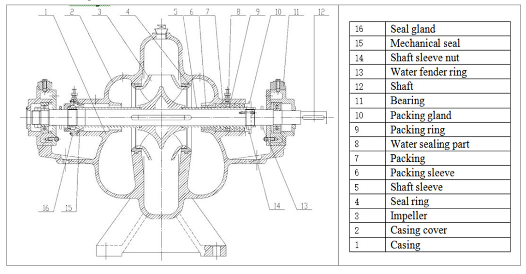
Pump structure


Application
Single stage double suction split case pump has the characteristics of high flow rate, high efficiency, and stable operation, and is widely used in multiple fields. The following are the main application:
1. Water conservancy engineering
● Water diversion project: Split cases pump can be used for large-scale water diversion projects across watersheds and regions, achieving long-distance and high lift transportation of large amounts of clean water and rational allocation of water resources.
● Irrigation and drainage: In agricultural water conservancy facilities, medium opening pumps can overcome terrain height differences, ensure sufficient irrigation water for crops, and quickly drain water during floods.
● Water conservancy hub project: as an auxiliary drainage or water supply equipment, providing stable water flow support.
2. Urban water supply and drainage system
● Urban water supply: providing stable water source transportation for urban residents' domestic and industrial water usage.
● Urban drainage: in extreme weather such as rainstorm, open the pump in the middle to quickly drain the accumulated water in urban roads, underpasses and other areas, so as to reduce the impact of water logging.
3. Industrial sector
● Industrial cooling water circulation system: provides cooling water circulation for equipment in industries such as chemical, pharmaceutical, textile, and paper making, ensuring the normal operation of the equipment.
● Process flow liquid transportation: meets the high flow liquid transportation needs of industries such as petrochemicals and food processing.
● Wastewater treatment: used for the transportation and treatment of industrial wastewater, helping enterprises meet environmental protection requirements..
4. Construction and Mining
● Construction site: used for foundation pit drainage, mud transportation, etc., to keep the construction site dry and safe.
● In the mining industry, it is used for mine drainage and transportation of mineral processing liquids to ensure safe production during the mining process
5. Ship and Ocean Engineering
● Ship application: As an important equipment for ballast water systems, fire protection systems, and domestic water systems, it ensures stable water supply for ships under various working conditions.
● Ocean engineering: water circulation systems for offshore drilling platforms, seawater desalination, etc.
Competitive Advantage
We can make large size single stage double suction split case pumps with the impellery up to 3 meter.

EN
EN

